プルアップ/ダウン抵抗 について
プルアップ/ダウン抵抗がどうなっているのか。
と
https://www.raspberrypi.org/wp-content/uploads/2012/10/Raspberry-Pi-R2.0-Schematics-Issue2.2_027.pdf
を眺める。
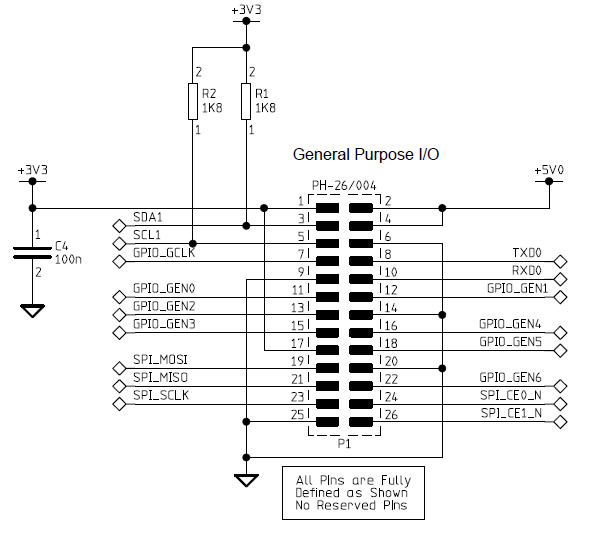
| PIN | GPIO | コメント |
|---|---|---|
| 3 | 2 | SDA (i2c Data) is one of the i2c pins on the Pi, learn more about i2c. SDA includes a fixed, 1.8 kohms pull-up to 3.3v, which means this pin is not suitable for use as a general purpose IO where no pullup resistor is desired. |
| 5 | 3 | SCL (i2c Clock) is one of the i2c pins on the Pi, learn more about i2c. SCL includes a fixed, 1.8 kohms pull-up to 3.3v, which means this pin is not suitable for use as a general purpose IO where no pullup resistor is desired. |

GPIO2,3 は 1.8kΩ固定、その他は、制御可能な 50KΩ らしい。
GPIO.setup(pin, GPIO.IN, pull_up_down=GPIO.PUD_UP); GPIO.setup(pin, GPIO.IN, pull_up_down=GPIO.PUD_DOWN);
など。
初期状態・・・も、調べよう。